Return to the Home Page...
Features on BBC BASIC programming...
Your questions and answers...
Buy or Sell an NC...
The NC200 manual and data sheets for BBC BASIC...
Information about BBC BASIC on the NC...
Free software for you to download...
 
Full index to software...
Applications...
Games...
Novelty programs...
Utilities...
Procedures...
Odds 'n' Ends...

Tim's Amstrad NC Users' Site

Odds 'n' Ends

Welcome to a selection of programs with a difference -- they are either unfinished or have errors in them. The reason I have put these on the site is because you may want to finish the programs yourself and improve them (if you do, send them back to me so they can be put back on this site!), or you can use parts of them in your own programs.

---Odds 'n' Ends

OBouncing Balls A game
OMMDS Editor Moving Message Display System

Programs marked 'From ANUW' are taken from Mark Ray's Amstrad Notepad Users Web.

Bouncing Balls

Written by: Tim Surtell

For: NC200

BBALLS.TXT ...7.6kb
BALLDES.TXT ...1.6kb

In this game you have to keep the ball in the air for as long as possible. Use the left and right cursor keys to move. There is a level developer so you can make your own levels, plus a hi-score record.

Why it's in here: The ball usually takes the same path each time, and sometimes you don't get to hit it at all!

MMDS Editor

Written by: Tim Surtell

For: NC200

MMDSEDIT.TXT ...17.3kb
NORMAL.SET ...551 bytes

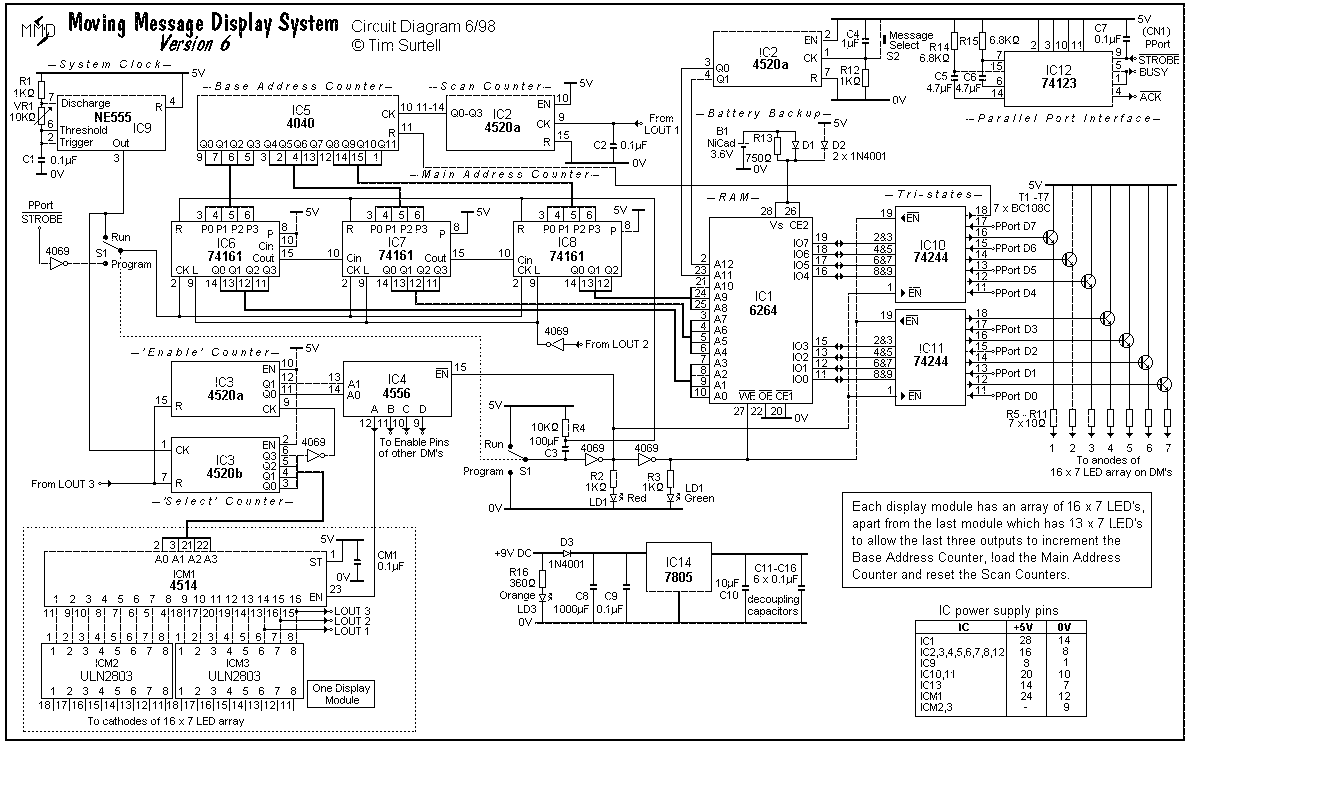
This program is in fact complete (I think!), but the reason it's in this section is that it's probably not much use without the electronics to go with it. The 'Moving Message Display System' was my Eletronics A-level major project, and the newer version (version 6) uses a RAM to store the messages. This is the program to write and download messages to the RAM.
I will write a short manual telling you how to use this program.
There are several fonts you can use -- the NORMAL font is loaded when the program is run so it is essential to have it in memory. The other fonts are available to download below :

BOLD.SET ... 359 bytes
ITALIC.SET ... 359 bytes
SYMBOLS.SET ... 359 bytes
SMALL.SET ... 350 bytes

These are some example messages :

MES1.MES ... 396 bytes
MES2.MES ... 572 bytes
MES3.MES ... 930 bytes

Also, if you are interested in the MMDS project, here is the circuit diagram for the original EPROM version, and my A-level report showing how the system works :

Version 5 Circuit Diagram ... EPROM Version ... 40.9kb
Version 5 Report ... NC Protext format ... 17.2kb
Version 5 Diagrams ... 21 diagrams, zipped ... 1.1Mb
Version 6 Circuit Diagram ... RAM Version ... 37.4kb

 
© 1997 – 2021 Tim Surtell

Tim's Amstrad NC Users Site
www.ncus.org.uk

Return to top of page...

| Home | Features | Data Sheets | Questions | BBC BASIC | Software |